Products

..

Àü¿ë Àåºñ

À¯¾ÐÀÛ±â

CONTACT US

Á¦Ç° : À¯¾ÐÀÛ±â

    À¯¾ÐÀ۱⠻ç¾çº° ±Ô°Ý(Hydro Jack)

    ·Ôµå Size
    (mm)
    ¿É¼Ç ºÎÇÇ
    (W * L * H)
    ºñ°í
    ÀçÁúº° ¹«°Ô(»ó/ÇÏÆÇ) ÀÛµ¿¹æÇâ ÃÖ´ëÇÏÁß(ton) Ãß°¡ »ç¾ç
    42 AL 52kg
    ö 62kg
    ¼öÆò / ¼öÁ÷ / ±âŸ 20 / 25 / 50 1. »óÆÇ ¼ÕÀâÀÌ
    2. À۱⠹Þħ´ë
    320 * 200 * 680 ±âº»¿É¼Ç
    »ó/ÇÏÆÇ AL, ¼öÁ÷Çü, 25Åæ
    44.5

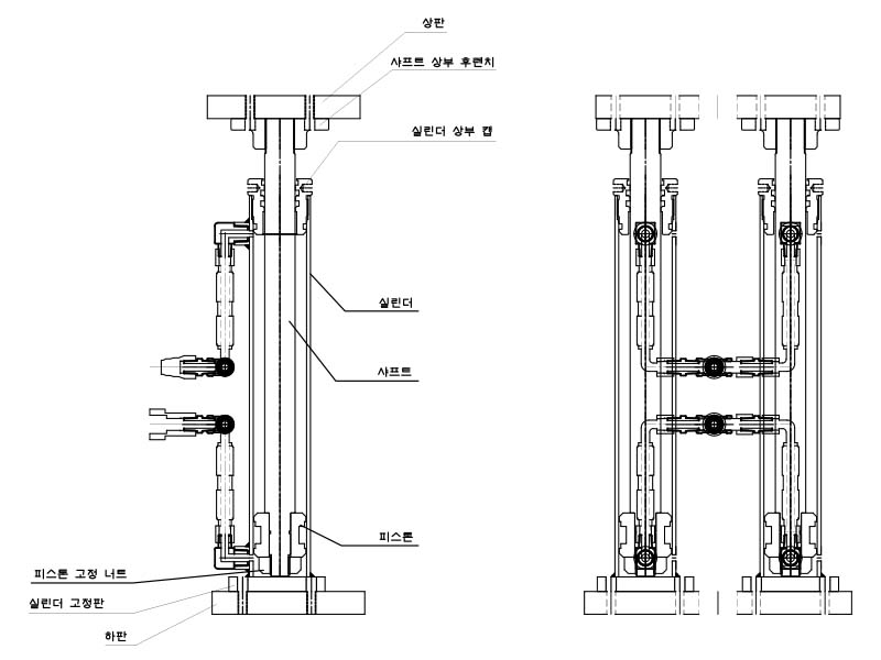
À¯¾ÐÀÛ±â Á¶¸³µµ

¼öÁ÷À۱⠻ç¿ë¿¹½Ã

    .. .. ..

    ¼öÁ÷ÀÛ±â+ÀÚµ¿°í¸¶+·Ôµå (Àü¸é)

    ¼öÁ÷ÀÛ±â+ÀÚµ¿°í¸¶+·Ôµå(Ãø¸é)

    ¼öÁ÷ÀÛ±â+ÀÚµ¿°í¸¶+·Ôµå(Èĸé)